Каталог продукции
Червячный механизм NRV 030, NRV 040, NRV 050, NRV 063, NRV 075, NRV 090, NRV 110, NRV 130, NRV 150

Червячный редуктор NRV характеризуется наличием универсального корпуса, который позволяет пользователю выполнять монтаж оборудования именно в таком положении, какого требует конкретный производственный процесс. Простая, но в то же время высоконадежная конструкция работает стабильно и бесшумно. Унифицированные присоединительные размеры редуктора позволяют эффективно и «безболезненно» заменять редуктором NRV вышедшие из строя механизмы других фирм-производителей. Максимально допустимая радиальная грузка на редуктор может достигать 16500Н, максимальный выходной момент - 1400 Н·м. Червячный редуктор NRV - это оптимальное и оправданное соотношение цена-качество.
Цена: от 2 950 руб.
- Модель: NRV
- Размер: 30 - 40 - 50 - 63 - 75 - 90 - 110 - 130 - 150
- Передаточное число: "i" = 5:1 - 100:1
Общее описание:
Схема типового обозначения червячного редуктора NRV
| тип | типоразмер | переда- точное число |
исполнение | электро- двигатель |
|||
|---|---|---|---|---|---|---|---|
| двух- сторонний входной вал |
цилиндри- ческий выходной вал |
выходной фланец | реактивная штанга | ||||
| NMRV | 030 - 130 | 5 - 3200 | E | SS - односторонний | FL | A | мощность и обороты электро- двигателя |
| NRV | |||||||
| PCRV | DS - двухсторонний | ||||||
| DRV | |||||||
Пример условного обозначения в заказе
NRV - 63 - 7,5 - B3
- NRV - редуктор;
- 63 - типоразмер (межосевое расстояние червячной пары);
- 7,5 - передаточное число;
- B3 - горизонтальная монтажная позиция.
Исполнение
![]() |
|
||||||||||||||||||||||||||||||||||||||||||||||||||||||||||||||||||||||||||||||||||||||||||||||||||||
![]() |
|
||||||||||||||||||||||||||||||||||||||||||||||||||||||||||||||||||||||||||||||||||||||||||||||||||||
![]() |
|
Параметры зацепления червячной пары
| типо-размер | i | 5 | 7.5 | 10 | 15 | 20 | 25 | 30 | 40 | 50 | 60 | 80 | 100 |
|---|---|---|---|---|---|---|---|---|---|---|---|---|---|
| 030 | m | 1.5 | 1.5 | 1.5 | 1.5 | 1 | 1.75 | 1.5 | 1 | 0.9 | 0.75 | 0.55 | / |
| z1 | 6 | 4 | 3 | 2 | 2 | 1 | 1 | 1 | 1 | 1 | 1 | / | |
| y | 29°3' | 20°19' | 15°31' | 10°29" | 5°42' | 6°10' | 5°17' | 2°52' | 3°26' | 2°52' | 1°58' | / | |
| nd | 0.874 | 0.856 | 0.829 | 0.782 | 0.673 | 0.700 | 0.667 | 0.520 | 0.567 | 0.520 | 0.422 | / | |
| ns | 0.723 | 0.675 | 0.637 | 0.559 | 0.461 | 0.442 | 0.400 | 0.308 | 0.319 | 0.275 | 0.221 | / | |
| 040 | m | 2 | 2 | 2 | 2 | 1.6 | 1.25 | 2 | 1.6 | 1.25 | 1 | 0.8 | 0.65 |
| z1 | 6 | 4 | 3 | 2 | 2 | 2 | 1 | 1 | 1 | 1 | 1 | 1 | |
| y | 30°58' | 21°48' | 16°42' | 11°19' | 11°19' | 8°8' | 5°43' | 5°43' | 4°5' | 2°52' | 2°52" | 2°29' | |
| nd | 0.886 | 0.862 | 0.839 | 0.805 | 0.792 | 0.738 | 0.675 | 0.668 | 0.604 | 0.541 | 0.513 | 0.477 | |
| ns | 0.737 | 0.703 | 0.661 | 0.589 | 0.559 | 0.502 | 0.434 | 0.411 | 0.351 | 0.284 | 0.276 | 0.243 | |
| 050 | m | 2.5 | 2.5 | 2.5 | 2.5 | 2 | 1.6 | 2.5 | 2 | 1.6 | 1.25 | 1 | 0.8 |
| z1 | 6 | 4 | 3 | 2 | 2 | 2 | 1 | 1 | 1 | 1 | 1 | 1 | |
| y | 30°58' | 21°48' | 16°42' | 11°19' | 11°19' | 9°5" | 5°43' | 5°43' | 4°21' | 2°52' | 2°52' | 2°17' | |
| nd | 0.887 | 0.874 | 0.852 | 0.808 | 0.805 | 0.771 | 0.711 | 0.693 | 0.634 | 0.532 | 0.530 | 0.483 | |
| ns | 0.737 | 0.695 | 0.654 | 0.581 | 0.561 | 0.517 | 0.434 | 0.403 | 0.352 | 0.289 | 0.270 | 0.227 | |
| 063 | m | / | 3.25 | 3.25 | 3.25 | 2.5 | 2 | 3.25 | 2.5 | 2 | 1.6 | 1.25 | 1 |
| z1 | / | 4 | 3 | 2 | 2 | 2 | 1 | 1 | 1 | 1 | 1 | 1 | |
| y | / | 24°31' | 18°53' | 12°51' | 11°19' | 8°45' | 6°30' | 5°43' | 4°24' | 3°3' | 2°52' | 2°12' | |
| nd | / | 0.880 | 0.870 | 0.830 | 0.820 | 0.780 | 0.740 | 0.716 | 0.660 | 0.571 | 0.562 | 0.486 | |
| ns | / | 0.710 | 0.670 | 0.600 | 0.557 | 0.510 | 0.450 | 0.409 | 0.360 | 0.304 | 0.276 | 0.229 | |
| 075 | m | / | 4 | 4 | 4 | 3 | 2.5 | 4 | 3 | 2.5 | 2 | 1.6 | 1.25 |
| z1 | / | 4 | 3 | 2 | 2 | 2 | 1 | 1 | 1 | 1 | 1 | 1 | |
| y | / | 28°4' | 21°48' | 14°56' | 11°19' | 11°19' | 7°36' | 5°43' | 5°43' | 3°49' | 4°21' | 2°52' | |
| nd | / | 0.912 | 0.904 | 0.876 | 0.850 | 0.848 | 0.810 | 0.770 | 0.769 | 0.695 | 0.719 | 0.626 | |
| ns | / | 0.712 | 0.683 | 0.614 | 0.570 | 0.542 | 0.466 | 0.420 | 0.395 | 0.342 | 0.316 | 0.267 | |
| 090 | m | / | 5 | 5 | 5 | 3.75 | 3 | 5 | 3.75 | 3 | 2.5 | 1.9 | 1.5 |
| z1 | / | 4 | 3 | 2 | 2 | 2 | 1 | 1 | 1 | 1 | 1 | 1 | |
| y | / | 33°41' | 26°34' | 18°26' | 14°02' | 11°19' | 9°28' | 7°08' | 5°43' | 4°46' | 3°53' | 2°52' | |
| nd | / | 0.905 | 0.898 | 0.873 | 0.849 | 0.824 | 0.804 | 0.765 | 0.727 | 0.690 | 0.638 | 0.572 | |
| ns | / | 0.734 | 0.706 | 0.650 | 0.606 | 0.563 | 0.505 | 0.459 | 0.414 | 0.380 | 0.342 | 0.271 | |
| 110 | m | / | 5.9 | 5.9 | 5.9 | 4.6 | 3.75 | 5.9 | 4.6 | 3.75 | 3.15 | 2.4 | 1.9 |
| z1 | / | 4 | 3 | 2 | 2 | 2 | 1 | 1 | 1 | 1 | 1 | 1 | |
| y | / | 28°46' | 22°22' | 15°21' | 14°20' | 14°02' | 7°49' | 7°17' | 7°08' | 5°48' | 4°54' | 3°37' | |
| nd | / | 0.901 | 0.891 | 0.862 | 0.848 | 0.851 | 0.793 | 0.776 | 0.768 | 0.729 | 0.692 | 0.628 | |
| ns | / | 0.721 | 0.691 | 0.631 | 0.618 | 0.598 | 0.482 | 0.478 | 0.451 | 0.415 | 0.372 | 0.319 | |
| 130 | m | / | 7 | 7 | 7 | 5.4 | 4.4 | 7 | 5.4 | 4.4 | 3.75 | 2.75 | 2.25 |
| z1 | / | 4 | 3 | 2 | 2 | 2 | 1 | 1 | 1 | 1 | 1 | 1 | |
| y | / | 29°15' | 22°47' | 15°39' | 13°47' | 12°24' | 7°58' | 7°00' | 6°17' | 6°7' | 3°56' | 3°41' | |
| nd | / | 0.911 | 0.891 | 0.872 | 0.860 | 0.845 | 0.803 | 0.779 | 0.758 | 0.749 | 0.671 | 0.657 | |
| ns | / | 0.721 | 0.691 | 0.631 | 0.610 | 0.583 | 0.492 | 0.460 | 0.435 | 0.406 | 0.335 | 0.308 |
Допускаемая радиальная консольная нагрузка на выходном валу

| i | n2 | 030 | 040 | 050 | 063 | 075 | 090 | 110 | 130 |
|---|---|---|---|---|---|---|---|---|---|
| 5 | 280 | 599 | 1149 | 1586 | 2062 | 2428 | 2687 | 3389 | 4433 |
| 7.5 | 186 | 691 | 1325 | 1829 | 2378 | 2799 | 3098 | 3908 | 5112 |
| 10 | 140 | 758 | 1454 | 2007 | 2609 | 3072 | 3400 | 4288 | 5610 |
| 15 | 94 | 868 | 1665 | 2298 | 2988 | 3518 | 3893 | 4910 | 6424 |
| 20 | 70 | 954 | 1829 | 2525 | 3283 | 3665 | 4277 | 5395 | 7057 |
| 25 | 56 | 1033 | 1981 | 2735 | 3556 | 4187 | 4633 | 5844 | 7645 |
| 30 | 47 | 1086 | 2087 | 2881 | 3745 | 4410 | 4880 | 6155 | 8052 |
| 40 | 35 | 1204 | 2309 | 3188 | 4145 | 4880 | 5401 | 6812 | 8912 |
| 50 | 28 | 1296 | 2485 | 3431 | 4461 | 5252 | 5812 | 7331 | 9590 |
| 60 | 24 | 1381 | 2649 | 3658 | 4756 | 5599 | 6196 | 7815 | 10224 |
| 80 | 18 | 1516 | 2907 | 4014 | 5218 | 6144 | 6799 | 8576 | 11219 |
| 100 | 14 | 1638 | 3142 | 4338 | 5639 | 6639 | 7348 | 9268 | 12124 |
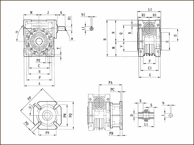
Габаритные и присоединительные размеры

| NRV | A | В | С | C1 | D(H7) | D1(j6) | E(h8) | F | G | H | H1 | J | К | L1 | M | N | 0 | P | Q | R |
|---|---|---|---|---|---|---|---|---|---|---|---|---|---|---|---|---|---|---|---|---|
| 30 | 80 | 97 | 54 | 44 | 14 | 9 | 55 | 32 | 56 | 65 | 29 | 51 | 20 | 63 | 40 | 57 | 30 | 75 | 44 | 6.5 |
| 40 | 100 | 121.5 | 70 | 60 | 18(19) | 11 | 60 | 43 | 71 | 75 | 36.5 | 60 | 23 | 78 | 50 | 71.5 | 40 | 87 | 55 | 6.5 |
| 50 | 120 | 144 | 80 | 70 | 25(24) | 14 | 70 | 49 | 85 | 85 | 43.5 | 74 | 30 | 92 | 60 | 84 | 50 | 100 | 64 | 8.5 |
| 63 | 144 | 174 | 100 | 85 | 25(28) | 19 | 80 | 67 | 103 | 95 | 53 | 90 | 40 | 112 | 72 | 102 | 63 | 110 | 80 | 8.5 |
| 75 | 172 | 205 | 120 | 90 | 28(35) | 24 | 95 | 72 | 112 | 115 | 57 | 105 | 50 | 120 | 86 | 119 | 75 | 140 | 93 | 11 |
| 90 | 206 | 238 | 140 | 100 | 35(38) | 24 | 110 | 74 | 130 | 130 | 67 | 125 | 50 | 140 | 103 | 135 | 90 | 160 | 102 | 13 |
| 110 | 252.5 | 295 | 170 | 115 | 42 | 28 | 130 | - | 144 | 165 | 74 | 142 | 60 | 155 | 127.5 | 167.5 | 110 | 200 | 125 | 14 |
| 130 | 292.5 | 335 | 200 | 120 | 45 | 30 | 180 | - | 155 | 215 | 81 | 162 | 80 | 170 | 147.5 | 187.5 | 130 | 250 | 140 | 16 |
| 150 | 340 | 400 | 240 | 145 | 50 | 35 | 180 | - | 185 | 215 | 96 | 195 | 80 | 200 | 170 | 230 | 150 | 250 | 180 | 18 |
| NRV | S | T | V | PA | PB | PC | PE | PM | PN(HB) | PO | PP | PQ | b | b1 | t | t1 | m | a | a1 | kg |
|---|---|---|---|---|---|---|---|---|---|---|---|---|---|---|---|---|---|---|---|---|
| 30 | 21 | 5.5 | 27 | 54.5 | 6 | 4 | M6x11 (n=4) | 68 | 50 | 6.5(n=4) | 80 | 70 | 5 | 3 | 16.3 | 10.2 | - | 0° | 45" | 1.2 |
| 40 | 26 | 6.5 | 35 | 67 | 7 | 4 | M6x8 (n=4) | 75 | 60 | 9(n=4) | 110 | 95 | 6 | 4 | 20.8 (21.8) | 12.5 | - | 45° | 45° | 2.3 |
| 50 | 30 | 7 | 40 | 90 | 9 | 5 | M8x10 (n=4) | 85 | 70 | 11(n=4) | 125 | 110 | 8 | 5 | 28.3 (27.3) | 16.0 | M6 | 45° | 45° | 3.5 |
| 63 | 36 | 8 | 50 | 82 | 10 | 6 | M8x14 (n=8) | 150 | 115 | 11(n=4) | 180 | 142 | 8 | 6 | 28.3 (31.3) | 21.5 | M6 | 45° | 45° | 6.2 |
| 75 | 40 | 10 | 60 | 111 | 13 | 6 | M8x14 (n=8) | 165 | 130 | 14(n=4) | 200 | 170 | 8 | 8 | 31.3 (38.3) | 27.0 | M8 | 45° | 45" | 9 |
| 90 | 45 | 11 | 70 | 111 | 13 | 6 | M10x18 (n=8) | 175 | 152 | 14(n=4) | 210 | 200 | 10 | 8 | 38.3 (41.3) | 27.0 | M8 | 45° | 45" | 13 |
| 110 | 50 | 14 | 85 | 131 | 15 | 6 | M10x18 (n=8) | 230 | 170 | 14(n=8) | 280 | 260 | 12 | 8 | 45.3 | 31.0 | M10 | 45° | 45° | 42.5 |
| 130 | 60 | 15 | 100 | 140 | 15 | 6 | M12x21 (n=8) | 255 | 180 | 16(n=8) | 320 | 290 | 14 | 8 | 48.8 | 33.0 | M10 | 45° | 22.5° | 59 |
| 150 | 72.5 | 18 | 120 | 155 | 15 | 6 | M12x21 (n=8) | 255 | 180 | 16(n=6) | 320 | 290 | 14 | 10 | 53.8 | 38 | M12 | 45° | 22.5 | 87 |
Объём заливаемого масла (л)
| RV | 030 | 040 | 050 | 063 | 075 | 090 | 110 | 130 | 150 |
|---|---|---|---|---|---|---|---|---|---|
| B3 | 0.042 | 0.081 | 0.153 | 0.3 | 0.58 | 1.02 | 3.02 | 4.55 | 7 |
| B8 | 2.25 | 3.35 | 5.1 | ||||||
| B6,B7 | 2.55 | 3.55 | 5.4 | ||||||
| V5,V6 | 3.02 | 4.55 | 7 |


