Червячные мотор-редукторы двухступенчатые DRV 30/40, DRV 30/50, DRV 30/63, DRV 40/75, DRV 40/90, DRV 50/110, DRV 50/130, DRV 63/150

DRV | DRV 30/40, DRV 30/50, DRV 30/63, DRV 40/75, DRV 40/90, DRV 50/110, DRV 50/130, DRV 63/150 купить в Самаре по низкой цене
Двухступенчатый червячный мотор-редуктор DRV состоит из двух соединенных в единую конструкцию редукторов NMRV. Между собой ступени соединяют с помощью фланца, крутящий момент передается от быстроходной ступени к тихоходной, передаточные числа каждого редуктора при этом умножаются. С помощью мотор-редукторов серии DRV можно получить скорость вращения выходного вала от 28 до 0,2 об/мин и момент от 60 до 2200 н-м. В зависимости от расположения червячных пар в пространстве при эксплуатации редуктора могут быть выполнены по одному из вариантов расположения, представленных ниже. В зависимости от варианта сборки редуктора тихоходный вал может быть одноконцевым, двухконцевым или полым.
Цена: от 7 400 руб.
- Модель: DRV
- Размер: 30/40 - 30/50 - 30/63 - 40/75 - 40/90 - 50/110 - 50/130
- Передаточное число: "i" = 300:1 - 3200:1
- Мощность: 0,06 - 1,5 квт
- Крутящий момент: 68 - 2150 Нм
Общее описание:
Схема типового обозначения
|
тип |
типоразмер |
переда- |
исполнение |
электро- двигатель |
|||
|---|---|---|---|---|---|---|---|
|
двух- |
цилиндрический выходной вал |
выходной фланец |
реактивная штанга |
||||
|
NMRV |
030 - 130 |
5 - 3200 |
E |
SS - односторонний |
FL - широкий |
A |
мощность и |
|
NRV |
|||||||
|
PCRV |
DS - двухсторонний |
||||||
|
DRV |
|||||||
Пример условного обозначения в заказе
DRV - 040/075 - 3000 - 0.5 - 0.06 - AS1
DRV - червячный двухступенчатый мотор-редуктор;
040/075 - комбинация редукторов 040 и 075 габаритов;
3000 - передаточное число;
0,5 - частота вращения выходного вала (об/мин);
0,06 - мощность электродвигателя (кВт);
AS1 - монтажная позиция.
Монтажные позиции мотор-редуктора DRV

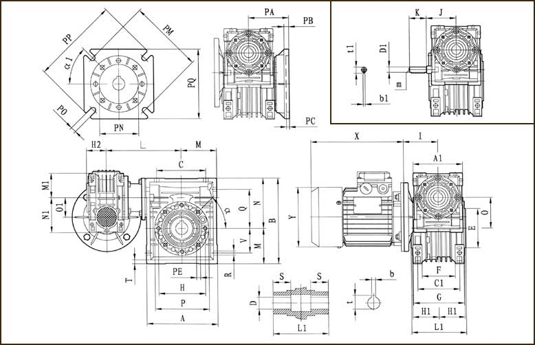
Габаритные и присоединительные размеры

|
DRV |
A |
A1 |
В |
С |
C1 |
D |
D1 |
E |
F |
G |
H |
H1 |
H2 |
l |
J |
К |
L |
L1 |
M |
M1 |
N |
N1 |
O |
O1 |
P |
|---|---|---|---|---|---|---|---|---|---|---|---|---|---|---|---|---|---|---|---|---|---|---|---|---|---|
|
030/040 |
100 |
80 |
121.5 |
70 |
60 |
18 |
9 |
60 |
43 |
71 |
75 |
36.5 |
29 |
55 |
51 |
20 |
120 |
78 |
50 |
40 |
71.5 |
57 |
40 |
30 |
87 |
|
030/050 |
120 |
80 |
144 |
80 |
70 |
25 |
9 |
70 |
49 |
85 |
85 |
43.5 |
29 |
55 |
51 |
20 |
130 |
92 |
60 |
40 |
84 |
57 |
50 |
30 |
100 |
|
030/063 |
144 |
80 |
174 |
100 |
85 |
25 |
9 |
80 |
67 |
103 |
95 |
53 |
29 |
55 |
51 |
20 |
145 |
112 |
72 |
40 |
102 |
57 |
63 |
30 |
110 |
|
040/075 |
172 |
100 |
205 |
120 |
90 |
28 |
11 |
95 |
72 |
112 |
115 |
57 |
36.5 |
70 |
60 |
23 |
165 |
120 |
86 |
50 |
119 |
71.5 |
75 |
40 |
140 |
|
040/090 |
206 |
100 |
238 |
140 |
100 |
35 |
11 |
110 |
74 |
130 |
130 |
67 |
36.5 |
70 |
60 |
23 |
182 |
140 |
103 |
50 |
135 |
71.5 |
90 |
40 |
160 |
|
050/110 |
252.5 |
120 |
295 |
170 |
115 |
42 |
14 |
130 |
- |
144 |
165 |
74 |
43.5 |
80 |
74 |
30 |
225 |
155 |
127.5 |
60 |
167.5 |
84 |
110 |
50 |
200 |
|
063/130 |
292.5 |
144 |
335 |
200 |
120 |
45 |
19 |
180 |
- |
155 |
215 |
81 |
53 |
95 |
90 |
40 |
245 |
170 |
147.5 |
72 |
187.5 |
102 |
130 |
63 |
250 |
|
063/150 |
340 |
144 |
400 |
240 |
145 |
50 |
19 |
180 |
- |
192 |
215 |
81 |
53 |
95 |
90 |
40 |
268 |
200 |
170 |
72 |
230 |
102 |
130 |
63 |
250 |
|
DRV |
Q |
R |
S |
T |
V |
PA |
PB |
PC |
PE |
PM |
PN |
PO |
PP |
PQ |
a |
a1 |
b |
b1 |
t |
t1 |
m |
kg |
|---|---|---|---|---|---|---|---|---|---|---|---|---|---|---|---|---|---|---|---|---|---|---|
|
030/040 |
55 |
6.5 |
26 |
6.5 |
35 |
67 |
7 |
4 |
M6x8 |
75 |
60 |
9 |
110 |
110 |
45° |
45° |
6(6) |
3 |
20.8 |
10.2 |
- |
3.9 |
|
030/050 |
64 |
8.5 |
30 |
7 |
40 |
90 |
9 |
5 |
M8x10 |
85 |
70 |
11 |
125 |
110 |
45° |
45° |
8(8) |
3 |
28.3 |
10.2 |
- |
5.0 |
|
030/063 |
80 |
8.5 |
36 |
8 |
50 |
82 |
10 |
6 |
M8x14 |
150 |
115 |
11 |
180 |
142 |
45° |
45° |
8(8) |
3 |
28.3 |
10.2 |
- |
7.8 |
|
040/075 |
93 |
11 |
40 |
10 |
60 |
111 |
13 |
6 |
M8x14 |
165 |
130 |
14 |
200 |
170 |
45° |
45° |
8(10) |
4 |
31.3 |
12.5 |
- |
12.0 |
|
040/090 |
102 |
13 |
45 |
11 |
70 |
111 |
13 |
6 |
M10x18 |
175 |
152 |
14 |
210 |
200 |
45° |
45° |
10(10) |
4 |
38.3 |
12.5 |
- |
16.0 |
|
050/110 |
125 |
14 |
50 |
14 |
85 |
131 |
15 |
6 |
M10x18 |
230 |
170 |
14 |
280 |
260 |
45° |
45° |
12 |
5 |
45.3 |
16.0 |
M6 |
39.2 |
|
063/130 |
140 |
16 |
60 |
15 |
100 |
140 |
15 |
6 |
M12x21 |
255 |
180 |
16 |
320 |
290 |
45° |
22.5° |
14 |
6 |
48.3 |
21.5 |
M6 |
55.0 |
|
063/150 |
180 |
18 |
72,5 |
18 |
120 |
155 |
15 |
6 |
M12x21 |
255 |
180 |
16 |
320 |
290 |
45° |
22.5° |
14 |
6 |
53.8 |
21.5 |
M6 |
91 |
Объём заливаемого масла (л)
|
RV |
030 |
040 |
050 |
063 |
075 |
090 |
110 |
130 |
150 |
|---|---|---|---|---|---|---|---|---|---|
|
B3 |
0.042 |
0.081 |
0.153 |
0.3 |
0.58 |
1.02 |
3.02 |
4.55 |
7 |
|
B8 |
2.25 |
3.35 |
5.1 |
||||||
|
B6,B7 |
2.55 |
3.55 |
5.4 |
||||||
|
V5,V6 |
3.02 |
4.55 |
7 |